官方电话:400-0300263

股票代码:300263

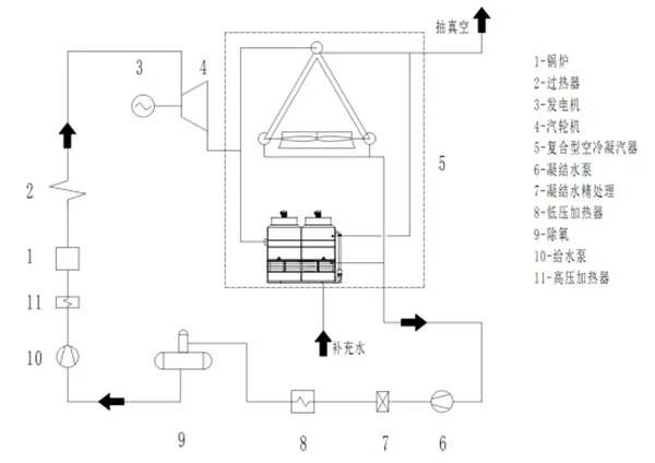
电力复合型空冷凝气系统

电力复合型空冷凝气系统

类别:电力行业
针对直接空冷系统运行中夏季突发横风安全性差,出力受限、发电煤耗高、冬季防冻困难等问题,对直接空冷系统与蒸发式凝汽系统进行优化组合,自主研发出一种新型高效凝汽装置。
咨询热线:400-0300263 / 13213577667
工作原理


  1、系统组成:复合型空冷凝汽系统是有直接空冷和蒸发式凝汽器按照优化设计组合(并联或串联)。
  2、串联:汽轮机排汽进入空冷顺流管束中进行空冷换热,管束中未凝结的蒸汽沿着凝结水箱进入蒸发式凝汽器的换热管束进行换热,凝结水汇集于凝结水箱中,通过凝结水泵送入回热系统循环利用,不凝气体在空冷的逆流管束及蒸发式凝汽器的逆流管束上部由抽真空系统排出。
  3、并联:汽轮机排汽分别进入直接空冷系统及蒸发式凝汽器进行换热,凝结水汇集于凝结水箱中,通过凝结水泵送入回热系统循环利用,不凝气体在空冷的逆流管束及蒸发式凝汽器的逆流管束上部由抽真空系统排出。

产品优势
应用领域

火力发电、余热发电等的乏汽冷却,在缺水地区或相对缺水地区,新建电厂时考虑度夏及冬季防冻的优选方案。

填写您的需求,获取方案及报价
beats365(中国区)-唯一官方网站将为您提供专业的方案及服务!

联系人*

联系电话*

需求填写*

提交留言
*我们的专属客服将在24小时内,与您取得联系,请正确填写联系方式。
网站首页 电话咨询 返回顶部